|
|
Posted - February 19 2007 : 8:25:48 PM
|
Finally got my first of 2 turbo trains I bought off the bay. The motor runs, but the metal contacts that pick up power from the track seem to be a little worn, and being tyco I'm sure it needs oil/grease somewhere right?
1. If it does need oil/grease, where would I put it?
2. Where would I get new pieces to replace the old contacts on the bottom? Should I go to a hobby shop that specializes in slotcars or trains?
-cheez
|
Country: Canada ~
Posts: 3448 ~
Member Since: September 22 2006 ~
Last Visit: March 11 2026
|
Alert Moderator
|
|
|
|
Posted - February 19 2007 : 10:09:44 PM
|
quote:Finally got my first of 2 turbo trains I bought off the bay. The motor runs, but the metal contacts that pick up power from the track seem to be a little worn, and being tyco I'm sure it needs oil/grease somewhere right?
1. If it does need oil/grease, where would I put it?
place grease on visible gears-underneath car--Brianstyco
2. Where would I get new pieces to replace the old contacts on the bottom? Should I go to a hobby shop that specializes in slotcars or trains
Look in a Walthers catalog- Pick up shoes for passenger cars are available--see if there is one that closely resembles. You can also make your own out of a thin copper sheet (K&S metal products-walthers catalog) cut with metal pliers. Use the original for a guide
-cheez
Originally posted by DaCheez - February 19 2007 : 7:25:48 PM
|
Edited by - Brianstyco on February 19 2007 10:10:29 PM
|
Country: USA ~
Posts: 2507 ~
Member Since: January 31 2006 ~
Last Visit: October 21 2017
|
Alert Moderator
|
|
|
|
Posted - February 20 2007 : 6:23:56 PM
|
Pick up shoes...is that what they're called?? They don't look too hard to replicate. The only thing I'm not sure about is the tiny copper wire that gives the pick-ups their "springyness" so they stay on the track. I can't tell if the wire and pick-ups are all one piece or not.
-cheez
BTW, has anyone who owns a turbo train ever noticed how the engine runs in the opposite direction than the transformer is set to?
|
Country: Canada ~
Posts: 3448 ~
Member Since: September 22 2006 ~
Last Visit: March 11 2026
|
Alert Moderator
|
|
|
|
Posted - February 20 2007 : 7:55:58 PM
|
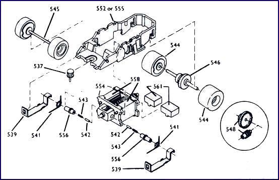
Hi Cheez. The Turbo trains Use Tyco 440 X2 Slot car chassis and motor assembly. So if you need parts just look for slot cars using that motor or All Hobby Store shows parts and a schematic for the 440 X2.
http://www.allhobbystore.com/parts.html
Click on the Hotwheels Mattel / Tyco Picture.
They list the shoes and the springs along with other parts. Carl
Numquam Immoderatio Satis Est (Too Much Is Never Enough )
Edited by - VintageHO on February 20 2007 7:59:59 PM
|
Country: USA ~
Posts: 632 ~
Member Since: January 23 2006 ~
Last Visit: June 21 2020
|
Alert Moderator
|
|
|
|
Posted - February 20 2007 : 9:04:47 PM
|
There is a hobby shop near my house that sells mostly RC and slot cars. I know alot of slotcars use brushes (lots of copper wires bunched together that contact the track), but would I be able to find something here?
And I still need to know where to oil it...
-cheez
|
Country: Canada ~
Posts: 3448 ~
Member Since: September 22 2006 ~
Last Visit: March 11 2026
|
Alert Moderator
|
|
|
|
Posted - February 20 2007 : 9:40:54 PM
|
Hi cheez. Tell the guy at the RC store you need contact shoes for the Tyco 440 X2 slot car. He should have them or he should be able to get them. These parts are still being made by an aftermarket source.

To Oil: Put a tiny, tiny drop of oil at the points where the axles snap into the Chassis. At each end of the motor where the armature sticks out of the housing a Tiny, Tiny Drop of Oil. Do not get oil on the contact shoes or the motor brushes. Did I mention only a TINY, Tiny Drop Of Oil..?? Do not over do it. Use only an oil that is Plastic compatable.
Numquam Immoderatio Satis Est (Too Much Is Never Enough )
Edited by - VintageHO on February 20 2007 9:58:59 PM
|
Country: USA ~
Posts: 632 ~
Member Since: January 23 2006 ~
Last Visit: June 21 2020
|
Alert Moderator
|
|
|
|
Posted - February 20 2007 : 10:37:14 PM
|
Vintage HO: Thanx. As soon as the second turbo train arrives, I'll go see if the guy can get parts for me.
-cheez
|
Country: Canada ~
Posts: 3448 ~
Member Since: September 22 2006 ~
Last Visit: March 11 2026
|
Alert Moderator
|
|