|
|
Posted - June 06 2013 : 8:57:25 PM
|
just picked it up it does not have brass wheels but it seems to have a battery clip in the cab
is that how its supposed to work
|
Country: USA ~
Posts: 1126 ~
Member Since: August 19 2011 ~
Last Visit: April 07 2026
|
Alert Moderator
|
|
|
|
Posted - June 06 2013 : 9:12:41 PM
|
I say put the battery in and see what happens!
" Heck with counting 'em rivets, TRAINS ARE FOR FUN! Not called the Mad Scientist for nothing either!"
|
Country: USA ~
Posts: 3147 ~
Member Since: May 07 2007 ~
Last Visit: March 12 2026
|
Alert Moderator
|
|
|
|
Posted - June 06 2013 : 10:10:39 PM
|
I Did
While searching net saw schematics and drawing implied battery
ran current through clips bulb blew tried new one worked so apparently needs brass wheels or does it?
|
Country: USA ~
Posts: 1126 ~
Member Since: August 19 2011 ~
Last Visit: April 07 2026
|
Alert Moderator
|
|
|
|
Posted - June 06 2013 : 10:22:31 PM
|
| yup it does need brass wheels
|
Country: USA ~
Posts: 15016 ~
Member Since: February 23 2009 ~
Last Visit: April 08 2026
|
Alert Moderator
|
|
|
|
Posted - June 06 2013 : 10:23:25 PM
|
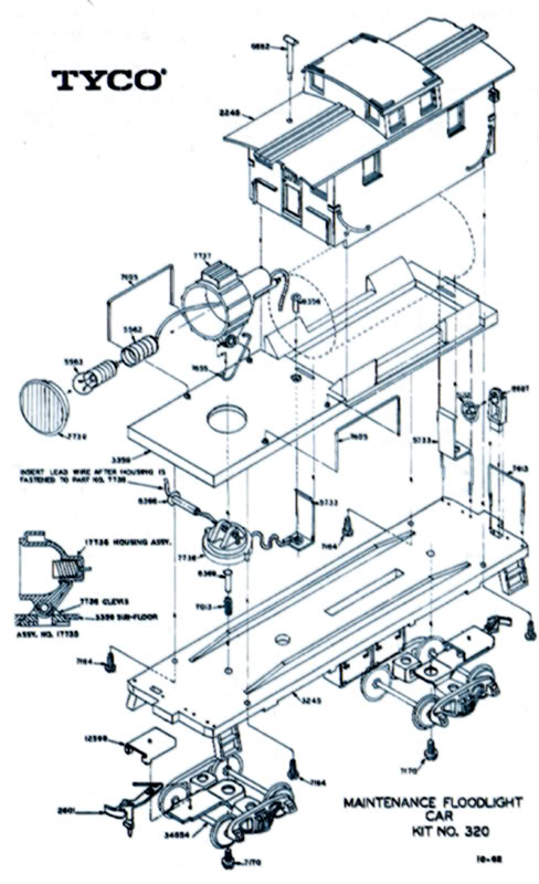
If battery powered, no. Maybe a LED was added. LED's generally use a 1.5V source such as the Double A battery. Post some pictures. The 2 trucks have a copper wiper and the wheel sets on each truck are opposite. One set is right and other is left facing. The wires then feed the light. I do believe the wiring is sandwiched in the frame. I've never been inside one.
" Heck with counting 'em rivets, TRAINS ARE FOR FUN! Not called the Mad Scientist for nothing either!"
|
Country: USA ~
Posts: 3147 ~
Member Since: May 07 2007 ~
Last Visit: March 12 2026
|
Alert Moderator
|
|
|
|
Posted - June 07 2013 : 09:42:52 AM
|
No, the old Reading, Pennsylvania, and Union Pacific search light cars are battery operated. If you put the battery in and it did not work then the light is broken. The other searchlight cars (Durango, Burlington, and Pennsylvania maintenance) as well as the lighted cabooses(Union Pacific, Santa Fe, and Pennsylvania) used the brass wheels to work. BTW, good catch on the Union Pacific, it is very hard to find and when they show up they are usually expensive.
Edited by - GG-1 Guy on June 07 2013 09:46:43 AM
|
Country: USA ~
Posts: 664 ~
Member Since: May 05 2012 ~
Last Visit: June 11 2024
|
Alert Moderator
|
|
|
|
Posted - June 07 2013 : 09:50:19 AM
|
|
Country: USA ~
Posts: 664 ~
Member Since: May 05 2012 ~
Last Visit: June 11 2024
|
Alert Moderator
|
|
|
|
Posted - June 07 2013 : 11:10:14 AM
|
Yeah thats the schematic I saw
Tried fresh c battery and double A nothing
Ran current through the clips got it too work and burned out the bulb tried with new bulb works tried one clip and track base after removing truck worked
|
Country: USA ~
Posts: 1126 ~
Member Since: August 19 2011 ~
Last Visit: April 07 2026
|
Alert Moderator
|
|
|
|
Posted - June 07 2013 : 8:35:03 PM
|

HERE ARE PICS THE ONLY DAMAGE IS ON BOTTOM
|
Country: USA ~
Posts: 1126 ~
Member Since: August 19 2011 ~
Last Visit: April 07 2026
|
Alert Moderator
|
|
|
|
Posted - June 07 2013 : 9:23:47 PM
|
As I suspected, it has damage from battery leakage. You should have just polished the contacts. That was an uncommon 1.5 or 2 volt bulb, so a standard headlight bulb isn't going to work.
The Tyco Depot
|
Country: USA ~
Posts: 3927 ~
Member Since: June 20 2007 ~
Last Visit: November 19 2015
|
Alert Moderator
|
|
|
|
Posted - June 07 2013 : 9:44:35 PM
|
| But I applied CURRENT TO THE CONTACT IT WORKED
|
Country: USA ~
Posts: 1126 ~
Member Since: August 19 2011 ~
Last Visit: April 07 2026
|
Alert Moderator
|
|
|
|
Posted - June 07 2013 : 10:00:36 PM
|
Yeah, with leads from a transformer, which has a 0-15 volt range. A C cell is 1.5 volts, so the original was a low voltage bulb, which is why it burned out when you applied track voltage to it. A standard headlight bulb will only glow dimly on a battery.
Hate to be the bearer of bad news, but...
The Tyco Depot
|
Country: USA ~
Posts: 3927 ~
Member Since: June 20 2007 ~
Last Visit: November 19 2015
|
Alert Moderator
|
|
|
|
Posted - June 08 2013 : 04:50:32 AM
|
| Where did you get it from?
|
Country: USA ~
Posts: 664 ~
Member Since: May 05 2012 ~
Last Visit: June 11 2024
|
Alert Moderator
|
|
|
|
Posted - June 08 2013 : 09:24:33 AM
|
| Is there a way to convert the battery ones to track voltage?
|
Country: USA ~
Posts: 293 ~
Member Since: January 17 2010 ~
Last Visit: September 29 2023
|
Alert Moderator
|
|
|
|
Posted - June 08 2013 : 11:09:46 AM
|
Got it on a lot of assorted HO brands All vintage
Will try to experiment with it later
At any rate it will go nice w theEvell tank engine and Lionel Athearn crane IN already have
|
Country: USA ~
Posts: 1126 ~
Member Since: August 19 2011 ~
Last Visit: April 07 2026
|
Alert Moderator
|
|
|
|
Posted - June 08 2013 : 11:12:45 AM
|
And wwhile I think of it did the early frieght unloading depot use batteries?
And I meant REVELL Tho 0-6-0 to be precise
|
Country: USA ~
Posts: 1126 ~
Member Since: August 19 2011 ~
Last Visit: April 07 2026
|
Alert Moderator
|
|
|
|
Posted - June 08 2013 : 2:34:05 PM
|
quote:Is there a way to convert the battery ones to track voltage?
Originally posted by 59Chevy - June 08 2013 : 09:24:33 AM
|
It wouldn't be too hard. You'd have to isolate at least one truck from the metal frame, or just replace the trucks with better plastic ones and use pickup wipers, which would be an improvement over having to insert and remove the battery each time, since I don't see an off switch. (You could leave the battery in by slipping a piece of plastic between the battery and one of the contacts, but it still wouldn't help if it leaked.)
The Tyco Depot
|
Country: USA ~
Posts: 3927 ~
Member Since: June 20 2007 ~
Last Visit: November 19 2015
|
Alert Moderator
|
|