|
|
Posted - March 25 2013 : 1:39:20 PM
|
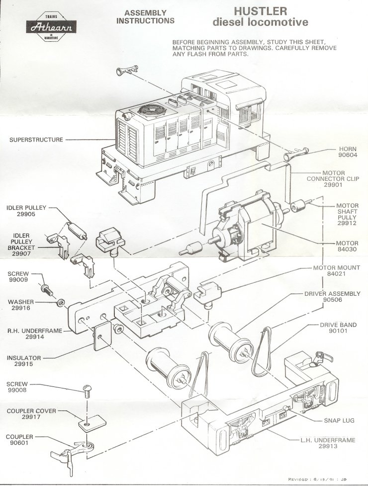
I am in need of 2 motor shaft pulleys for an Athearn Hustler - #29912 on the Athearn assembly explosion sheet @ hoseeker.org. They are the pulleys that fit on the motor shaft that the rubber bands fit on. Any help is greatly appreciated.
http://www.hoseeker.org/assemblyexplosionAthearn/Assembly%20Explosion%20Athearn%20%20Hustler%201991.jpg
|
Country: USA ~
Posts: 338 ~
Member Since: February 08 2013 ~
Last Visit: January 27 2019
|
Alert Moderator
|
|
|
|
Posted - March 26 2013 : 05:02:55 AM
|
tramp, First off, welcome to the board, secondly, NICE screen name! LOL and lastly, I have these parts! Interested, PM me off main site!
~John
Many have tried to, and failed, ya just can't repair stupid... 
Do NOT try to Idiot-Proof anything!!!! God, will simply create a better......IDIOT!
|
Country: USA ~
Posts: 2911 ~
Member Since: March 26 2012 ~
Last Visit: January 14 2014
|
Alert Moderator
|
|
|
|
|
|