|
|
Posted - February 17 2010 : 9:04:36 PM
|
I need help!!!! I have a vintage Hustler I've been trying to get running and I'm stumped. It seems to me it needs some type of wheel insulator??? When you put it on the track it'll spark a little on the wheels and then kick off the power pack. I've ran the ground wire to one rail and the frame to the other and it runs fine. I must be missing something..... Thanks in advance
Greg
|
Country: USA ~
Posts: 24 ~
Member Since: February 13 2010 ~
Last Visit: December 14 2016
|
Alert Moderator
|
|
|
|
Posted - February 17 2010 : 9:52:27 PM
|
I'm not too sure what's causing the short circuit, but the wheels look pretty dirty in that first picture. Other members of the forum have suggested that sparks are usually caused by dirty wheels. Try cleaning the wheels by rubbing an ordinary rubber eraser on them until shiny, and then wipe down the wheels with Q-Tips soaked in rubbing alcohol to remove the bits of eraser and make the metal really shine. 
Hopefully you can get it running right...in any case, you are sure to find the help you need on this forum!
 - Matt -
|
Country: Canada ~
Posts: 1021 ~
Member Since: August 24 2008 ~
Last Visit: January 05 2020
|
Alert Moderator
|
|
|
|
Posted - February 17 2010 : 11:01:41 PM
|
Everything appears to check out...

...the only difference I see is where your ground wire mounts, but that shouldn't be an issue. Your plastic frame splitters are in and the wheels appear OK.
|
|
|
|
|
Posted - February 18 2010 : 12:42:27 AM
|
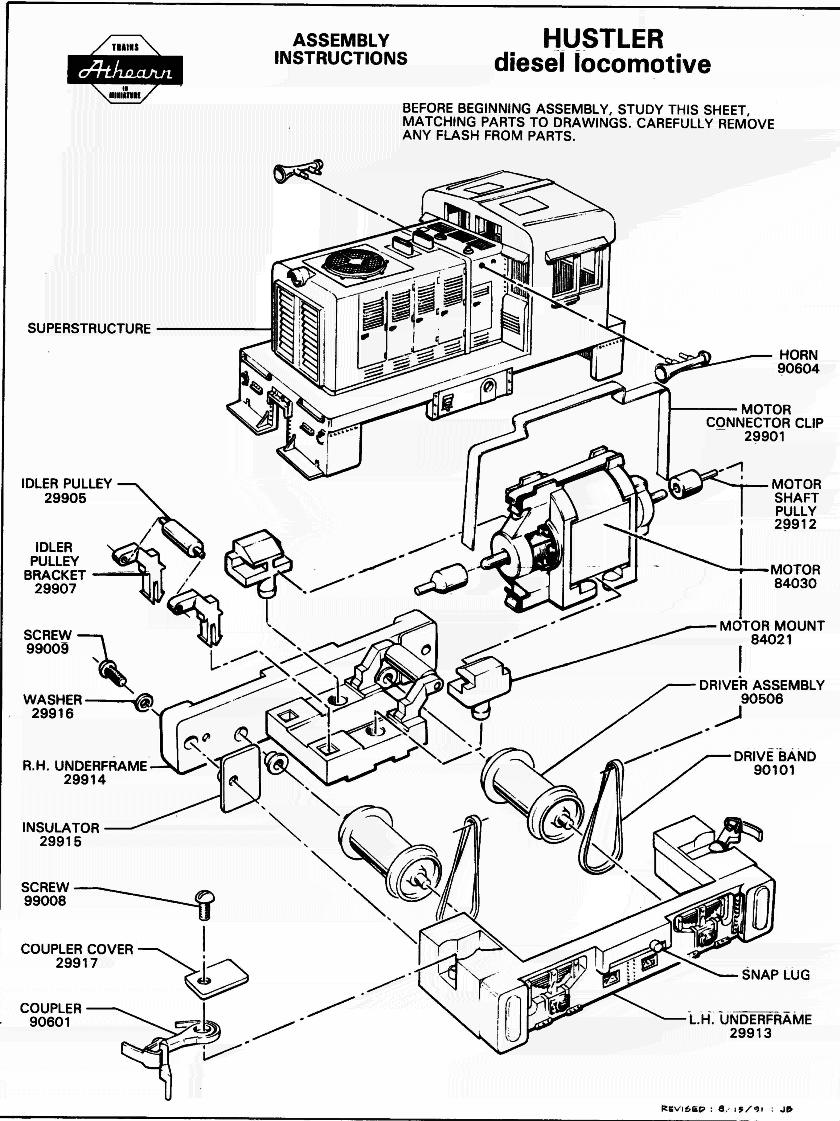
Hi guys. The 2 screws that hold the frame together. Make sure that they have a very small plastic washer. The washer insulates the screw from touching the frame. Also, make sure the screw heads do touch the frame as it goes though the frame half. I have posted a picture of the Newer model parts sheet but, the frame is the same. Look at Part number 29916 washer. If you are missing one or both. This could be your problem. Also check that the wheels when in the frame do not touch the sides. On the Older models the axles wear or the holes where the axles sit wear and the wheels start touching the sides. This could cause a short. Carl
Numquam Immoderatio Satis Est (Too Much Is Never Enough )
Edited by - VintageHO on February 18 2010 12:48:30 AM
|
Country: USA ~
Posts: 632 ~
Member Since: January 23 2006 ~
Last Visit: June 21 2020
|
Alert Moderator
|
|
|
|
Posted - February 18 2010 : 05:59:39 AM
|
neat locos But is or were these a real loco once? You know how some manufactures or kitbashers like to make up a loco or cars
|
Country: USA ~
Posts: 14999 ~
Member Since: February 23 2009 ~
Last Visit: February 28 2026
|
Alert Moderator
|
|
|
|
Posted - February 18 2010 : 4:51:49 PM
|
quote:neat locos But is or were these a real loco once? You know how some manufactures or kitbashers like to make up a loco or cars 
Originally posted by microbusss - February 18 2010 : 05:59:39 AM
|
They're a beloved fantasy loco, nothing like them was ever made---but---we fans try to make believe they could have been...

|
|
|
|
|
Posted - February 18 2010 : 10:43:16 PM
|
Thanks to VintageHO- he nailed it. Only one of my frame screws had an insulator!!!! I made a makeshift one and bam-- the old girl came to life once more. You guys were right about them being incredibly fast!!!! Thanks again for all the support, another relic has been restored to run again!!!
Greg
|
Country: USA ~
Posts: 24 ~
Member Since: February 13 2010 ~
Last Visit: December 14 2016
|
Alert Moderator
|
|
|
|
Posted - February 19 2010 : 2:19:07 PM
|
Hi Greg. Glad I could Help... I have had my share of Hustlers... Carl
Numquam Immoderatio Satis Est (Too Much Is Never Enough )
|
Country: USA ~
Posts: 632 ~
Member Since: January 23 2006 ~
Last Visit: June 21 2020
|
Alert Moderator
|
|
|
|
Posted - February 19 2010 : 5:52:21 PM
|
quote: like "ZOOM comes to a sharp curve & ZING right into the pond" kind of fast? hehe well I'll look for this loco(s) when I go Saturday
|
Country: USA ~
Posts: 14999 ~
Member Since: February 23 2009 ~
Last Visit: February 28 2026
|
Alert Moderator
|
|
|
|
Posted - February 20 2010 : 8:16:17 PM
|
I just got a #57 silver and red Hustler and I think they are fairly old vintage. Also picked up a red with white stripped #57 and didn't realize until today I have a yellow #60 with the modern works shown above.
I think they would look neat pulling ore cars around a small layout or on a small switching layout if you had space problems.
BTW I had put #59 and should have put #57 for both.
Alco Fan
Edited by - Alco Fan on February 21 2010 08:24:46 AM
|
Country: USA ~
Posts: 2496 ~
Member Since: August 03 2006 ~
Last Visit: September 17 2024
|
Alert Moderator
|
|
|
|
Posted - February 27 2010 : 10:40:01 AM
|
I had posted a pic but I think it was deleted but no problemo. The yellow one has the modern workings like the instruction sheet. Very high tech compared to the original.
Alco Fan
|
Country: USA ~
Posts: 2496 ~
Member Since: August 03 2006 ~
Last Visit: September 17 2024
|
Alert Moderator
|
|
|
|
Posted - February 27 2010 : 8:51:13 PM
|
Here are three you do not see too often. Rio Grande made in 1968 with old drive & #3000 Snow Plow Attachment. D & RGW #63 Made In 1991 with New drive, and the US NAVY #51 Made for Lionel HO 1959. There was a Rio Grande made for Lionel only in 1959. Had a L with Circle Logo on side like The US Navy. Other than the Numbered Units, Plus a Few Promos, These were the only Railroad named Engines made. Carl


US Navy #51 with US Navy Work Caboose. Both Made for Lionel Only in 1959
Numquam Immoderatio Satis Est (Too Much Is Never Enough )
Edited by - VintageHO on February 27 2010 9:04:53 PM
|
Country: USA ~
Posts: 632 ~
Member Since: January 23 2006 ~
Last Visit: June 21 2020
|
Alert Moderator
|
|
|
|
Posted - March 05 2010 : 8:27:45 PM
|
| The best thing I ever did to a Hustler was put in a new motor/ gear set (out of the Walthers catalog, can't remember the brand). It got rid of the rubber bands, and crept more slowly than anything I had.... Some of you may have seen in an MR a few years ago, a modeler kitbashed two of these to make a really neat center-cab loco.
|
Country: USA ~
Posts: 874 ~
Member Since: October 15 2007 ~
Last Visit: June 09 2019
|
Alert Moderator
|
|